© 2008-2012 SeekIC.com Corp.All Rights Reserved.
Published:2011/7/19 22:49:00 Author:TaoXi | Keyword: Car, multi-function, alarm | From:SeekIC

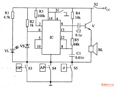
The principle of the circuit
The car multi-function alarm is composed of the dual time-base circuit IC and the external components, the circuit is as shown in figure 7-97.
In this circuit, VL is the alarm indicator light, S1 is the reset switch, S2 is the ignition switch of the car, S3 is the low oil pressure alarm switch, S4 is the low air pressure alarm switch, S5 is the high temperature alarm switch.
Vcc is the output voltage of the car power generator (+13.5V) that can be used as the operating power supply of the alarm, this voltage is lower than 13.5V when the car is in the idle condition; and it is higher or equal to 13.5V when the car is operating above the medium speed.
Reprinted Url Of This Article:
http://www.seekic.com/circuit_diagram/Control_Circuit/Car_multi_function_alarm_1.html
Print this Page | Comments | Reading(3)
Response in 12 hours
© 2008-2012 SeekIC.com Corp.All Rights Reserved.
Code: