© 2008-2012 SeekIC.com Corp.All Rights Reserved.
Published:2011/7/19 22:54:00 Author:TaoXi | Keyword: Car, multi-function, alarm | From:SeekIC

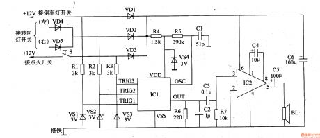
The principle of the circuit
The car multi-function alarm is composed of the trigger control circuit, the voice generator and the audio amplifier output circuit, the circuit is as shown in figure 7-98.
The trigger control circuit is composed of the anti-theft switch S, the diodes VD1-VD5, the resistors R1-R3 and the voltage stabilization diodes VS1-VS3.
The voice generator is composed of the resistors R4-R6, the capacitors Cl, C2, the voltage regulator diode VS4 and the voice integrated circuit lCl.
The audio amplifier output circuit is composed of the audio power amplifier IC IC2, the capacitors C3-C6, the resistor R7 and the speaker BL.
Reprinted Url Of This Article:
http://www.seekic.com/circuit_diagram/Control_Circuit/Car_multi_function_alarm_2.html
Print this Page | Comments | Reading(3)
Response in 12 hours
© 2008-2012 SeekIC.com Corp.All Rights Reserved.
Code: