Published:2011/11/4 1:03:00 Author:May | Keyword: Circular lights control, 555 | From:SeekIC

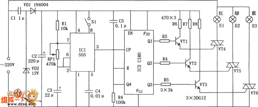
Circular lights control circuit is shown in the diagram. The circuit contains three Gezer lights E1, E2 and E3, it generates red light, green light and blue light. According to the principle of mixed color, red, green and blue can be mixed in different combinations, which includes seven color lamplight of red, green, blue, yellow, purple, green and white. Seven color light flashes in cycle , and the circulation speed is adjustable, and thecircuit has fixed color switch, which can fixed display needed colors.
Reprinted Url Of This Article:
http://www.seekic.com/circuit_diagram/Control_Circuit/Circular_lights_control_circuit_555_C180.html
Print this Page | Comments | Reading(3)
Code: