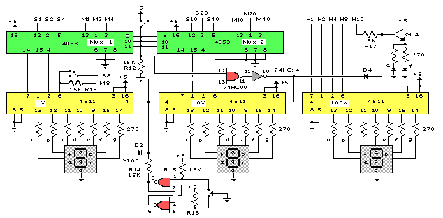
Published:2012/11/9 20:26:00 Author:muriel | Keyword: Clock Display Circuits | From:SeekIC

Reprinted Url Of This Article:
http://www.seekic.com/circuit_diagram/Control_Circuit/Clock_Display_Circuits.html
Print this Page | Comments | Reading(3)
Code: