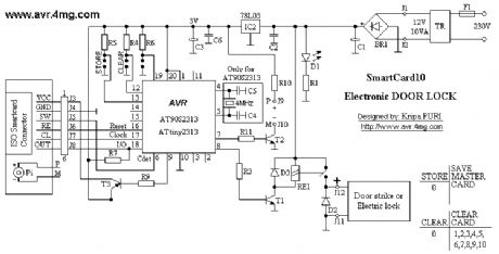
Published:2013/2/18 21:07:00 Author:muriel | Keyword: CodeLock , AVR, electronic combination lock | From:SeekIC

Reprinted Url Of This Article:
http://www.seekic.com/circuit_diagram/Control_Circuit/CodeLock_AVR_electronic_combination_lock_10.html
Print this Page | Comments | Reading(3)
Code: