Published:2011/4/6 5:31:00 Author:may | Keyword: Constant speed control | From:SeekIC

Reprinted Url Of This Article:
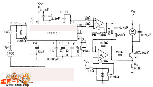
http://www.seekic.com/circuit_diagram/Control_Circuit/Constant_speed_control_circuit_with_ta7715p.html
Print this Page | Comments | Reading(3)
Code: