Published:2011/3/22 3:18:00 Author:may | Keyword: Control | From:SeekIC

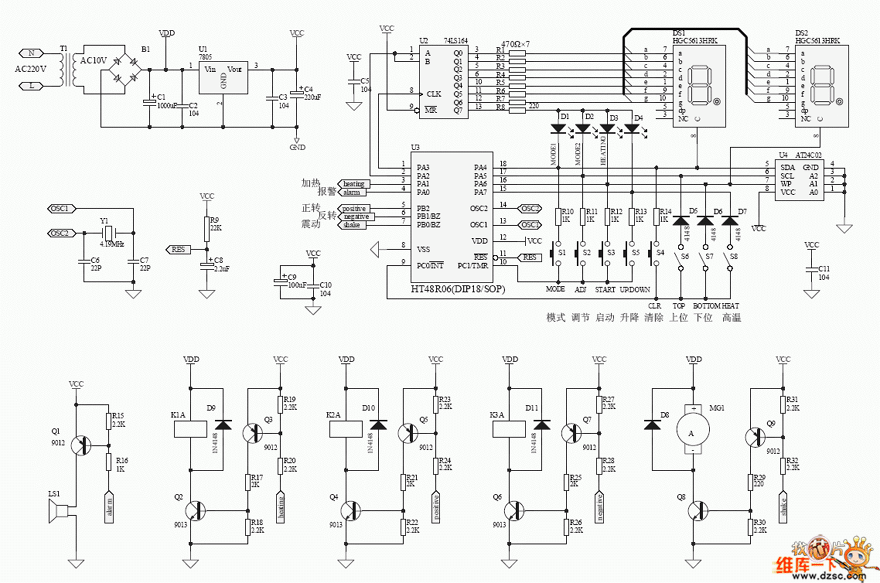
Control circuit of a frying pan is shown in the following diagram:
Reprinted Url Of This Article:
http://www.seekic.com/circuit_diagram/Control_Circuit/Control_circuit_of_a_frying_pan.html
Print this Page | Comments | Reading(3)
Code: