Published:2009/7/20 22:43:00 Author:Jessie | From:SeekIC

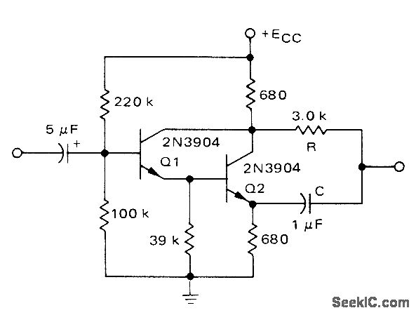
Basic 90°push-pull RC phase shifter using discrete transistors is connected as phase-splitting amplifier Used at output of follow-up pot in servo amplifier driving 115-V 60-Hz servomotor Supply is 28 V Motorola MPSA13 Darlington IC can be used if 39K resistor is omitted.-A, Pshaenich, Servo Motor Drive Amplifiers, Motorola,Phoenix,AZ,1972,AN-590.
Reprinted Url Of This Article:
http://www.seekic.com/circuit_diagram/Control_Circuit/DARLINGTON_PHASE_SHIFTER.html
Print this Page | Comments | Reading(3)
Code: