Published:2009/7/7 1:39:00 Author:May | From:SeekIC

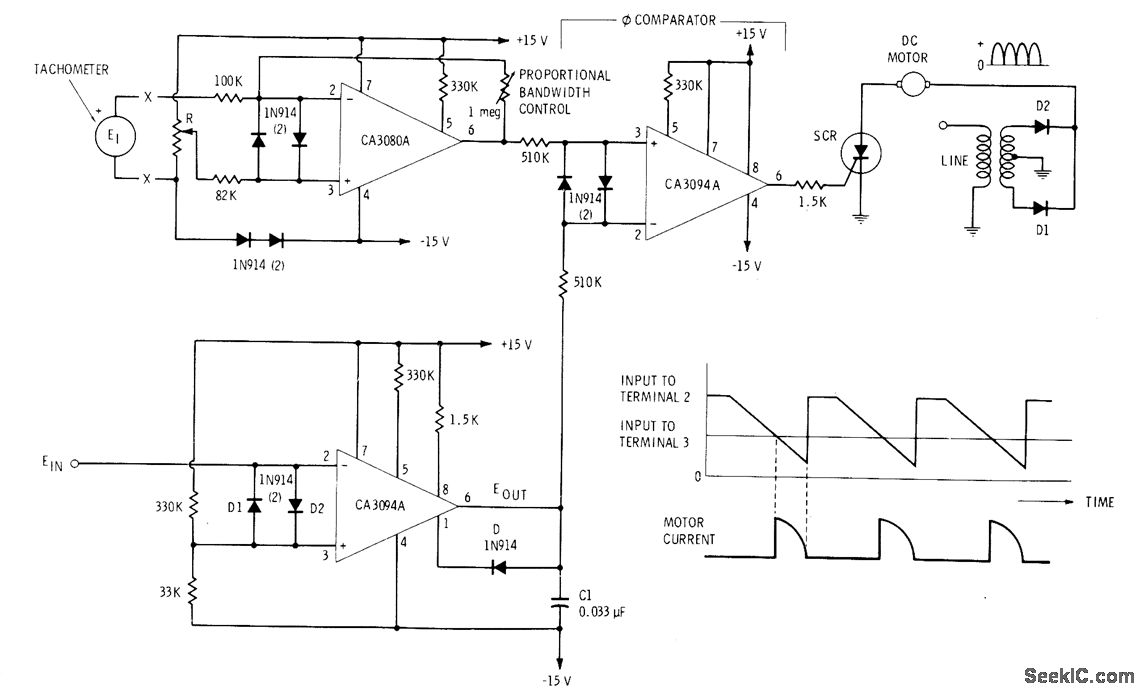
Tachometer driven by motor produces output voltage proportional to speed for application to CA3080A voltage comparator after rectification and filtering. Output of CA3080A is applied to upper CA3094A phase comparator that is receiving reference voltage from another CA3094A connected as ramp generator. Output of phase comparator triggers SCR in motor circuit. Amount of motor current is set by time du-ration of positive signal at pin 6, which in turn is determined by DC voltage applied to pin 3 of phase comparator by error detector. Circuit action serves to maintain constant motor speed at value determined by position of pot R. Input to ramp generator is pulsating DC voltage used to control rapid charging of C1 and slower discharging to form ramp.-E. M. Noll, Linear IC Principles, Experiments, and Projects, Howard W. Sams, Indianapolis, IN, 1974, p 321-323.
Reprinted Url Of This Article:
http://www.seekic.com/circuit_diagram/Control_Circuit/DC_MOTOR_SPEED_CONTROLLER.html
Print this Page | Comments | Reading(3)
Code: