Published:2009/6/15 23:26:00 Author:May | From:SeekIC




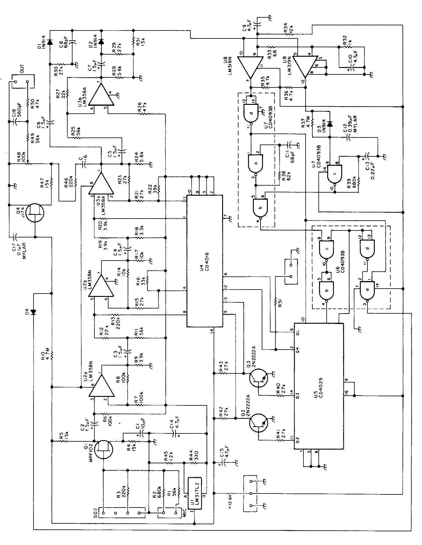
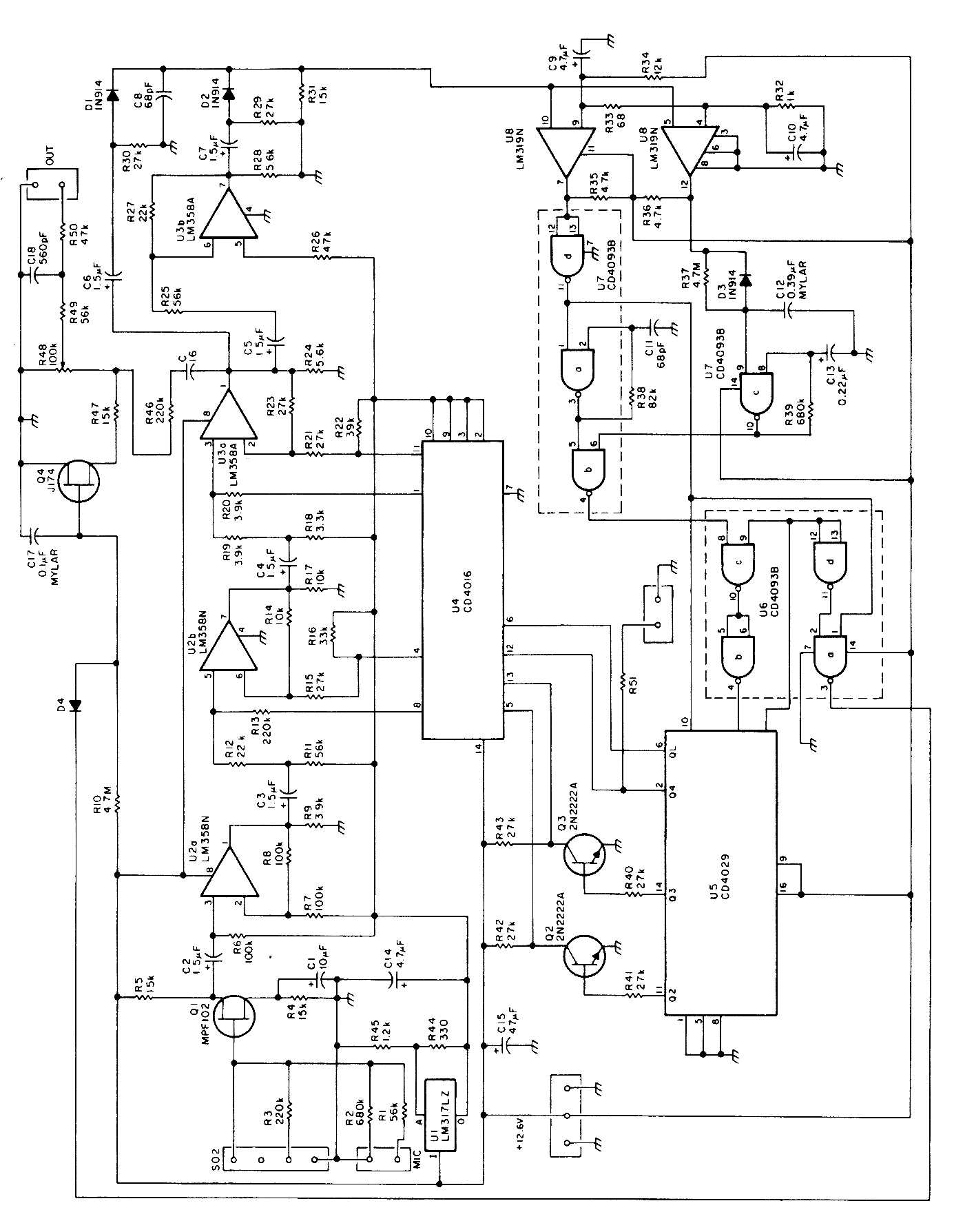
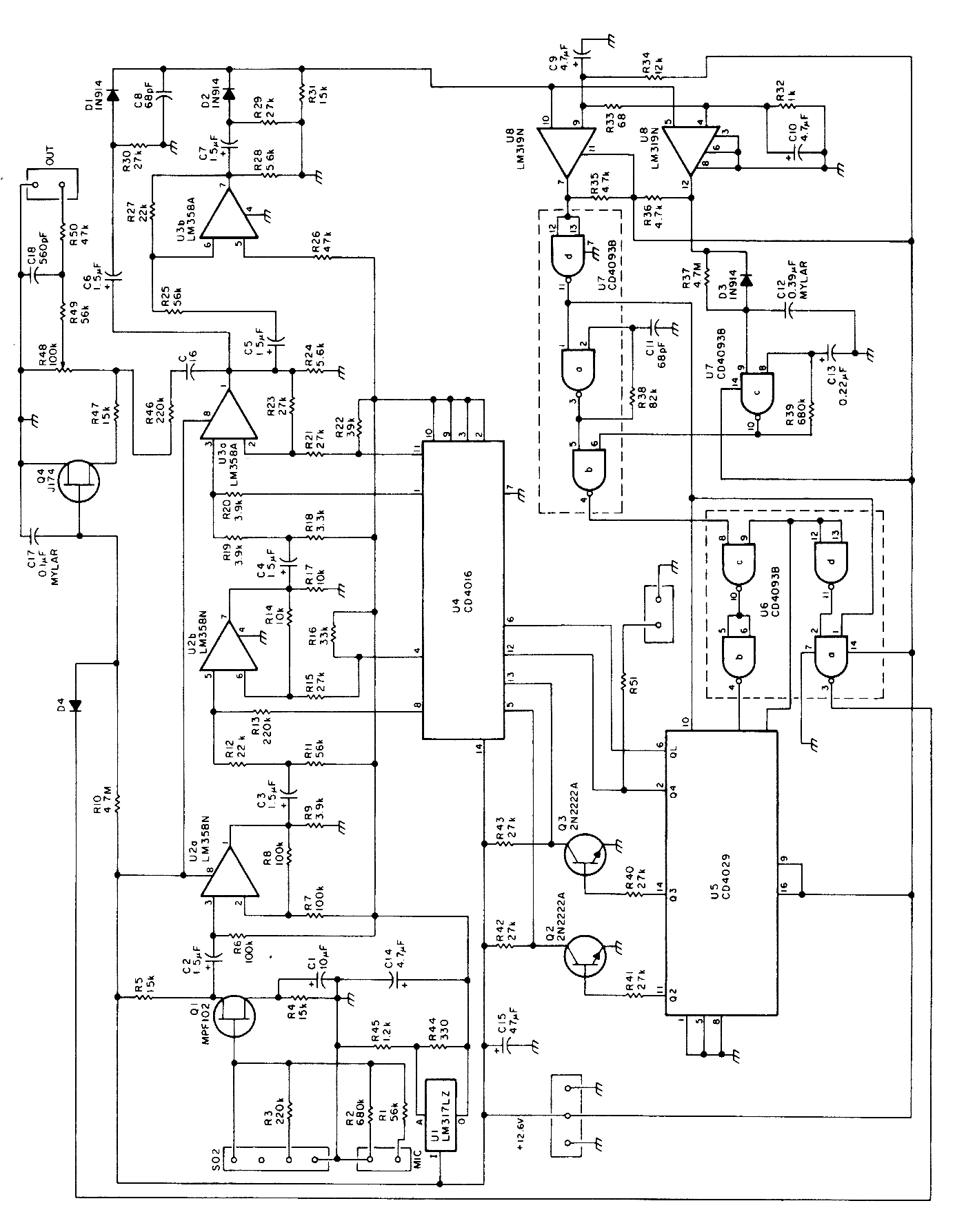
This approach to automatic level control(ALC) make use of digitally seitched audio attenuators in the signal path. The out-put level of the system is sensed, compared to a reference, and audio pads are inserted via analog switches. This method is nearly instantaneous and eliminates the compromises necessary in conventional RC network ALC systems useing fast attack,slow-decay approaches.
Reprinted Url Of This Article:
http://www.seekic.com/circuit_diagram/Control_Circuit/DIGITAL_AUTOMATIC_LEVEL_COMTROLALC.html
Print this Page | Comments | Reading(3)
Code: