Published:2009/6/15 23:09:00 Author:May | From:SeekIC

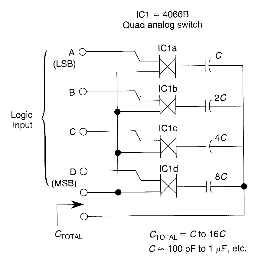
Digital capacitance control is possible with bilateral switches. Do not forget to consider ON resistance of the analog switches.
Reprinted Url Of This Article:
http://www.seekic.com/circuit_diagram/Control_Circuit/DIGITAL_CAPACITANCE_CONTROL.html
Print this Page | Comments | Reading(3)
Code: