Published:2009/7/21 5:27:00 Author:Jessie | From:SeekIC

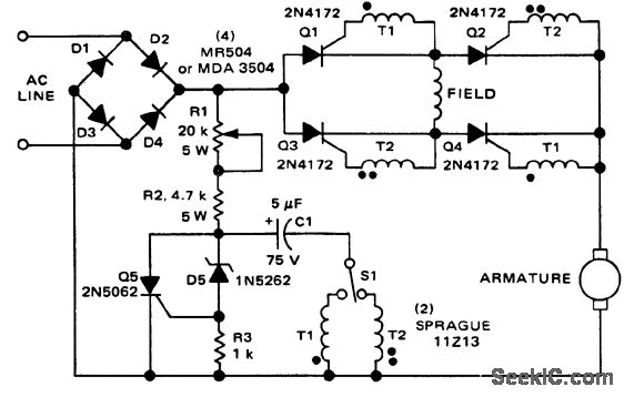
Direction and speed control for series-wound motors (courtesy Motorola Semiconductor Products Inc.).
Reprinted Url Of This Article:
http://www.seekic.com/circuit_diagram/Control_Circuit/DIRECTION_AND_SPEED_CONTROL_FOR_SERIES_WOUND_MOTORS.html
Print this Page | Comments | Reading(3)
Code: