Published:2009/7/17 2:43:00 Author:Jessie | From:SeekIC

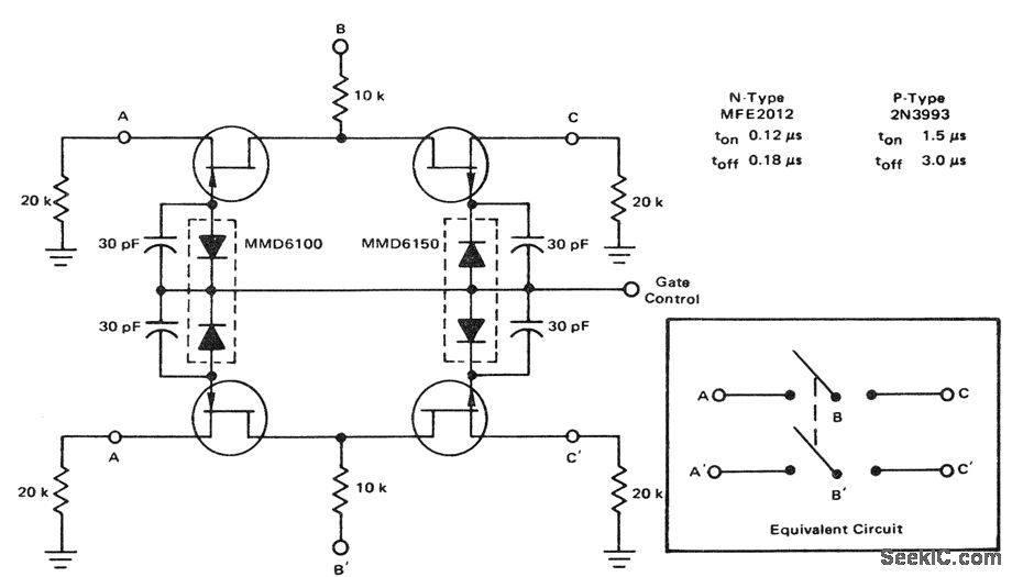
DPDT FET switch(courtesy Motorola Semiconductor Products Inc.).
Reprinted Url Of This Article:
http://www.seekic.com/circuit_diagram/Control_Circuit/DPDT_FET_switch.html
Print this Page | Comments | Reading(3)
Code: