Published:2011/6/8 8:07:00 Author:Christina | Keyword: Delay, energy-saving, light | From:SeekIC

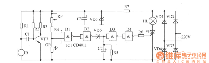
The delay energy-saving light circuit is as shown, this device is designed as one kind of sound and light double control delay energy-saving light. The bridge rectifier circuit is composed of the diodes VD1~VD4 and this circuit changes the city electricity into the pulse DC current, this DC current is limited by R7, regulated by VD5 and is filtered by C3, at last it becomes the 8V direct current to supply power for the integrated block CD4011 and the audion VT7. Components selection: the NAND gates D1~D4 can use the 2 input ports four NAND gates CD4011 digital integrated circuit. VS is the MCR100-8 type small plastic one-way thyristor. The rectifier diodes VD1--VD4 can use the 1N4007 type ordinary silicon rectifier diodes, the VD5 uses the 2CW56 type 8V zener diode, the VD6 can use the 1N4148 type ordinary silicon switch diode, the VT7 can use the 9013 type NPN transistor.
Reprinted Url Of This Article:
http://www.seekic.com/circuit_diagram/Control_Circuit/Delay_energy_saving_light_circuit.html
Print this Page | Comments | Reading(3)
Code: