Published:2011/4/20 2:43:00 Author:Nicole | Keyword: Delay light, TRIAC | From:SeekIC

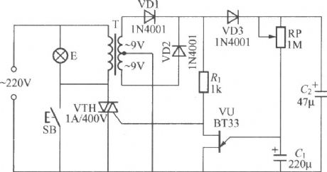
The circuit is as shown, it is a delay light circuit adopts TRIAC, T uses 220V/9V×2、3VA small transformer, there is no special requirements about other components.
Reprinted Url Of This Article:
http://www.seekic.com/circuit_diagram/Control_Circuit/Delay_light_circuit_with_TRIAC3.html
Print this Page | Comments | Reading(3)
Code: