Published:2011/4/27 9:28:00 Author:Nicole | Keyword: delay light, digital circuit | From:SeekIC

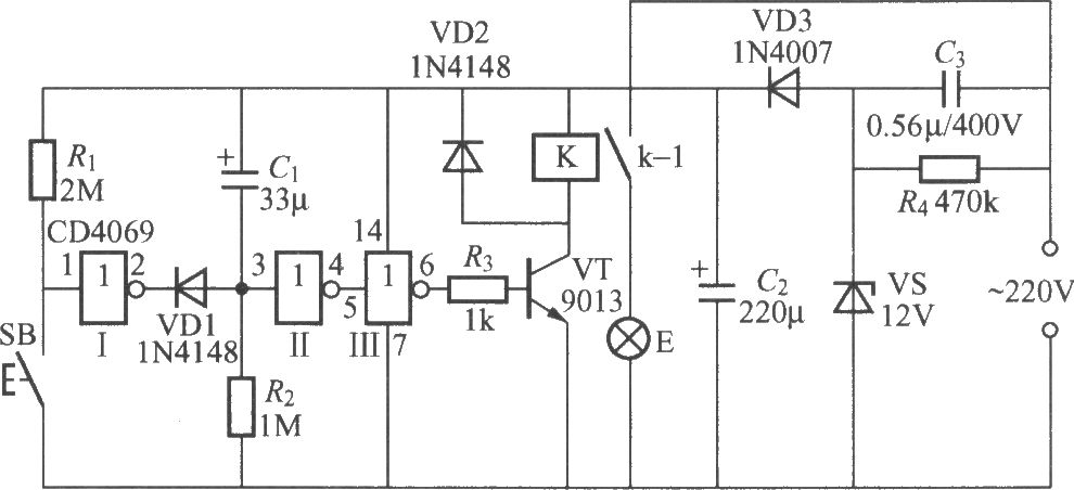
The figure is as shown, it is a delay light with digital IC, in figure, it only uses three good inverters of CD4069, the another three invertersare not used; connecting their input terminal to ground,it caneliminate the interferencewith circuit. K adopts JRX-22F、DC12V small middle power electromagnetic relay. The delay time is determined by the charge time constant of R2, C1.
Reprinted Url Of This Article:
http://www.seekic.com/circuit_diagram/Control_Circuit/Delay_light_circuit_with_digital_circuit1.html
Print this Page | Comments | Reading(3)
Code: