Published:2011/4/20 23:01:00 Author:Nicole | Keyword: Delay light, time base | From:SeekIC

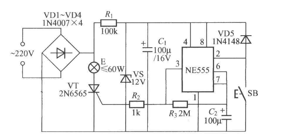
The figure is as shown, it is a delay light circuit with time base circuit, the delay time is decided by the charging time parameters of R3、C2, the data is about 4min.
Reprinted Url Of This Article:
http://www.seekic.com/circuit_diagram/Control_Circuit/Delay_light_circuit_with_time_base_circuit.html
Print this Page | Comments | Reading(3)
Code: