Published:2011/5/5 7:44:00 Author:Nicole | Keyword: Delay light, time base | From:SeekIC

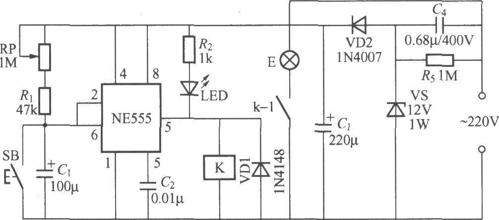
The figure is as shown, the NE555 is made as the core component to consist this delay light circuit. VD2, VS, C3, C4 form a simple diode rectifier steady voltage circuit, after connecting to power supply, the two terminals of C3 will output about 12V DC volgate to provide the whole circuit. NE555 time base circuit is connected into monostable working mode, C1 is full up charge, so NE555 threshold value or ⑥ foot is high level, time base circuit is in reset state, the ③ foot is low level, relay K has no action, light E offs. At this time, LED is lighting, it is used to indicate the switch position, it is convenient to find switch at night.
Reprinted Url Of This Article:
http://www.seekic.com/circuit_diagram/Control_Circuit/Delay_light_circuit_with_time_base_circuit1.html
Print this Page | Comments | Reading(3)
Code: