Published:2012/12/14 0:35:00 Author:Ecco | Keyword: Democratic current control | From:SeekIC

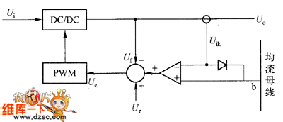
UC3907 load share controller integrated circuit chip produced by Unitrode uses democracy flowing method and the output voltage of adjustment power supply module to realize load share between parallel modules. UC3907 can determine the maximum output current according to module current monitor, load share bus voltage, then it specifies its main module, while the remaining modules are considered to be slave modules.
Reprinted Url Of This Article:
http://www.seekic.com/circuit_diagram/Control_Circuit/Democratic_current_control_circuit_diagram.html
Print this Page | Comments | Reading(3)
Code: