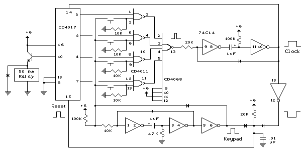
Published:2013/2/18 20:58:00 Author:muriel | Keyword: Digital Electronic , Lock circuit | From:SeekIC

Reprinted Url Of This Article:
http://www.seekic.com/circuit_diagram/Control_Circuit/Digital_Electronic_Lock_circuit.html
Print this Page | Comments | Reading(3)
Code: