© 2008-2012 SeekIC.com Corp.All Rights Reserved.
Published:2011/5/16 3:49:00 Author:Christina | Keyword: Digital, capacitance, tester | From:SeekIC

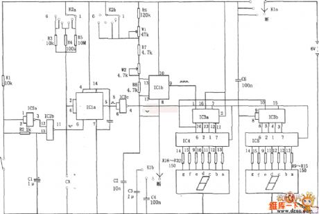
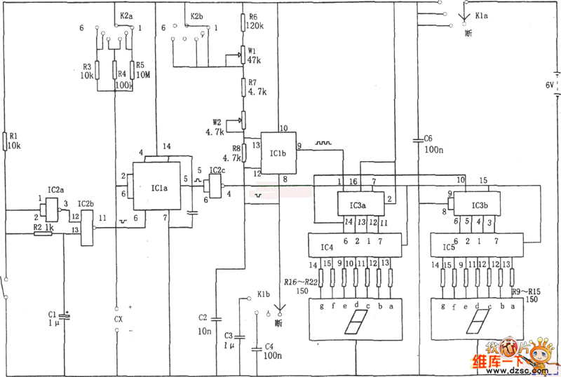
The Digital capacitance tester circuit is as shown. The tester is composed of the time base pulse generator, the monostable trigger, the addition counter, the decoder, the driver and the LED digital tube. And the time base pulse generator is composed of the IC1b (1/2 556) and R6, R7, R8, W1, W2, C2, it's output pulse signal can be used as the count pulse of the counting circuit (IC3). The monostable trigger is composed of the IC1a (1/2 556) and the R3 ~ R5, Cx (DUT capacitor).etc, the width of the output trigger pulse is td = 1.1 (R3 ~ R5) Cx, the greater the DUT capacitor is, the greater the timing width of the trigger pulse is, the counting of the corresponding counter IC3 are more.
Reprinted Url Of This Article:
http://www.seekic.com/circuit_diagram/Control_Circuit/Digital_capacitance_tester_circuit.html
Print this Page | Comments | Reading(3)
Response in 12 hours
© 2008-2012 SeekIC.com Corp.All Rights Reserved.
Code: