Published:2011/5/17 1:24:00 Author:Christina | Keyword: Digital display, host | From:SeekIC

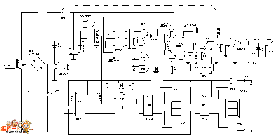
Figure: The Digital display host circuit
Reprinted Url Of This Article:
http://www.seekic.com/circuit_diagram/Control_Circuit/Digital_display_host_circuit.html
Print this Page | Comments | Reading(3)
Code: