Published:2013/7/29 20:21:00 Author:muriel | Keyword: Door Alarm circuit | From:SeekIC

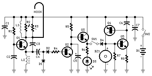
Parts:R1 1M 1/4W ResistorR2 3K3 1 or 2W Resistor (See Notes)R3 10K 1/2W Trimmer Cermet (See Notes)R4 33K 1/4W ResistorR5 150K 1/4W ResistorR6 2K2 1/4W ResistorR7 22K 1/4W ResistorR8 4K7 1/4W ResistorC1,C2 10nF 63V Ceramic or Polyester CapacitorsC3 10pF 63V Ceramic CapacitorC4,C6 100nF 63V Ceramic or Polyester CapacitorsC5 2µ2 25V Electrolytic CapacitorC7 100µF 25V Electrolytic CapacitorD1,D2,D4 1N4148 75V 150mA DiodesD3 5 or 3mm. Red LEDQ1,Q2,Q3,Q5 BC547 45V 100mA NPN TransistorsQ4 BC557 45V 100mA PNP TransistorL1 (See Notes)L2 10mH miniature InductorHook (See Notes)BZ1 Piezo sounder (incorporating 3KHz oscillator)SW1,SW2 SPST miniature Slider SwitchesB1 9V PP3 BatteryClip for PP3 Battery
Device purpose:This circuit emits a beep and/or illuminates a LED when someone touches the door-handle from outside. The alarm will sound until the circuit will be switched-off.The entire circuit is enclosed in a small plastic or wooden box and should be hanged-up to the door-handle by means of a thick wire hook protruding from the top of the case.A wide-range sensitivity control allows the use of the Door Alarm over a wide variety of door types, handles and locks. The device had proven reliable even when part of the lock comes in contact with the wall (bricks, stones, reinforced concrete), but doesn't work with all-metal doors.The LED is very helpful at setup.
Circuit operation:Q1 forms a free-running oscillator: its output bursts drive Q2 into saturation, so Q3 and the LED are off. When part of a human body comes in contact with a metal handle electrically connected to the wire hook, the body capacitance damps Q1 oscillations, Q2 biasing falls off and the transistor becomes non conducting. Therefore, current can flow into Q3 base and D3 illuminates. If SW1 is closed, a self-latching circuit formed by Q4 & Q5 is triggered and the beeper BZ1 is activated.When the human body part leaves the handle, the LED switches-off but the beeper continues to sound, due to the self-latching behavior of Q4 & Q5. To stop the beeper action, the entire circuit must be switched-off opening SW2.R3 is the sensitivity control, allowing to cope with a wide variety of door types, handles and locks.
Notes:L1 is formed winding 20 to 30 turns of 0.4mm. diameter enameled copper wire on R2 body and soldering the coil ends to the resistor leads. You should fill R2 body completely with coil winding: the final turn's number can vary slightly, depending on different 1 or 2W resistor types actual length (mean dimensions for these components are 13-18mm. length and 5-6mm. diameter).The hook is made from non-insulated wire 1 - 2mm. diameter (brass is well suited). Its length can vary from about 5 to 10cm. (not critical).If the device is moved frequently to different doors, Trimmer R3 can be substituted by a common linear potentiometer fitted with outer knob for easy setup.To setup the device hang-up the hook to the door-handle (with the door closed), open SW1 and switch-on the circuit. Adjust R3 until the LED illuminates, then turn slowly backwards the screwdriver (or the knob) until the LED is completely off. At this point, touching the door-handle with your hand the LED should illuminate, going off when the hand is withdrawn. Finally, close SW1 and the beeper will sound when the door-handle will be touched again, but won't stop until SW2 is opened.In regular use, it is advisable to hang-up and power-on the device with SW1 open: when all is well settled, SW1 can be closed. This precautionary measure is necessary to avoid unwanted triggering of the beeper.
Reprinted Url Of This Article:
http://www.seekic.com/circuit_diagram/Control_Circuit/Door_Alarm_circuit.html
Print this Page | Comments | Reading(3)
Code: