Published:2011/8/21 21:50:00 Author:Ecco | Keyword: Drilling security controller | From:SeekIC

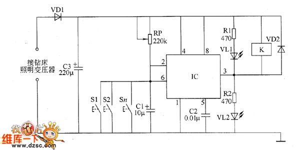
The drilling security controller is composed of the trigger switches S1 ~ Sn, resistors R1 and R2, potentiometer RP, capacitors C1 ~ C3, LEDs VL1 and VL2, diodes VD1 and VD2, time-base integrated circuit IC and the relay K, amd it is shown as the chart. R1 and R2 select the 1/4W metal film resistors. RP uses the organic solid carbon resistor or potentiometer. C1 and C3 select the electrolytic capacitors with voltage in 16V; C2 uses the monolithic capacitor or polyester capacitor. VD1 and VD2 use the 1N4007 silicon rectifier diodes. VL1 and VL2 select the φ5mm LEDs, VL1 chooses green, and VL2 chooses red.
Reprinted Url Of This Article:
http://www.seekic.com/circuit_diagram/Control_Circuit/Drilling_security_controller_circuit_diagram.html
Print this Page | Comments | Reading(3)
Code: