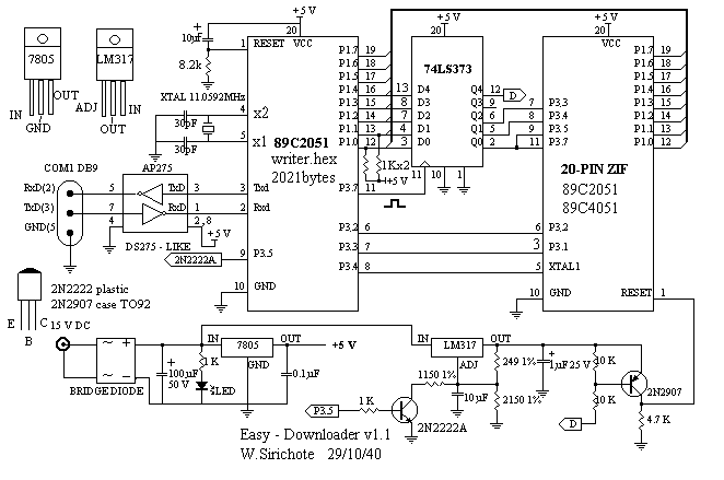
Published:2013/1/27 23:58:00 Author:muriel | Keyword: Easy-DownloaderV1.1 , ATMEL 89C2051/4051 | From:SeekIC

Reprinted Url Of This Article:
http://www.seekic.com/circuit_diagram/Control_Circuit/Easy_DownloaderV11_for_ATMEL_89C2051_4051.html
Print this Page | Comments | Reading(3)
Code: