Published:2011/7/26 2:27:00 Author:Ecco | Keyword: Electric curtain controller | From:SeekIC

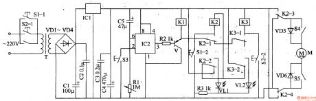
The electric curtain controller circuit is composed of the power supply circuit, timer circuit, interlock switching circuit and overtravel-limit switch control circuit, it is shown as Figure 3-126. Power supply circuit is composed of button switches S1-1, S2-1, power transformer T, rectifier diodes VD1-VD4, capacitors C1-C4 and three-terminal voltage regulator integrated circuit ICl and so on. The timer circuit is composed of the time-base timer IC IC2, capacitor C5, resistors Rl, R2, transistor V and relay Kl. Interlock switch circuit is composed of the relay K3, and switches S1-2, S2-2, S3 and so on.
Reprinted Url Of This Article:
http://www.seekic.com/circuit_diagram/Control_Circuit/Electric_curtain_controller_1.html
Print this Page | Comments | Reading(3)
Code: