Published:2011/8/14 22:44:00 Author:Ecco | Keyword: Electric fan , anti-injured controller | From:SeekIC

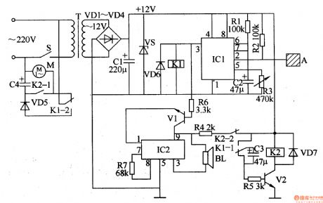
The electric fan anti-injured controller circuit is composed of the power supply circuit, touching power-off circuit, brake circuit and alarm circuit, and it is shown in Figure 3-206. Power supply circuit is composed of the power transformer T, rectifier diodes VDl-VD4, filter capacitor Cl and voltage-regulator diode VS. Touching power- off circuit is composed of touching pad A, time-base integrated circuit lCl, relay Kl and the RC components. Braking circuit is composed of the relay driver transistor V2, capacitors C3, C4 and resistor R5 and so on. Alarm circuit is composed of the music integrated circuit IC2, transistor Vl, speaker BL and resistors R4, R6 and so on.
Reprinted Url Of This Article:
http://www.seekic.com/circuit_diagram/Control_Circuit/Electric_fan_anti_injured_controller.html
Print this Page | Comments | Reading(3)
Code: