Published:2011/5/4 19:26:00 Author:Christina | Keyword: Electric iron, thermostat | From:SeekIC

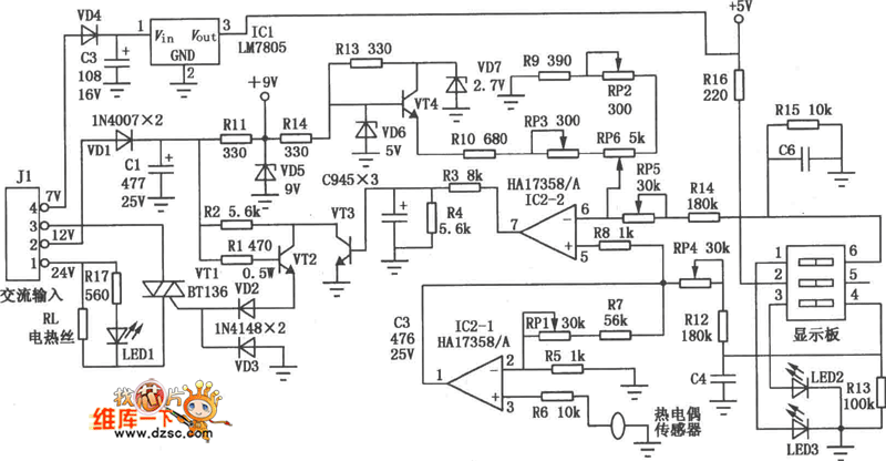
The Electric iron thermostat circuit is as shown:
Reprinted Url Of This Article:
http://www.seekic.com/circuit_diagram/Control_Circuit/Electric_iron_thermostat_circuit.html
Print this Page | Comments | Reading(3)
Code: