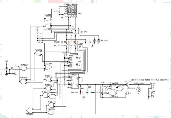
Published:2013/2/18 21:09:00 Author:muriel | Keyword: Electronic Locker | From:SeekIC

Reprinted Url Of This Article:
http://www.seekic.com/circuit_diagram/Control_Circuit/Electronic_Locker.html
Print this Page | Comments | Reading(3)
Code: