Published:2011/5/20 4:00:00 Author:Sue | Keyword: Electronic, Pest, Killing, Lamp | From:SeekIC

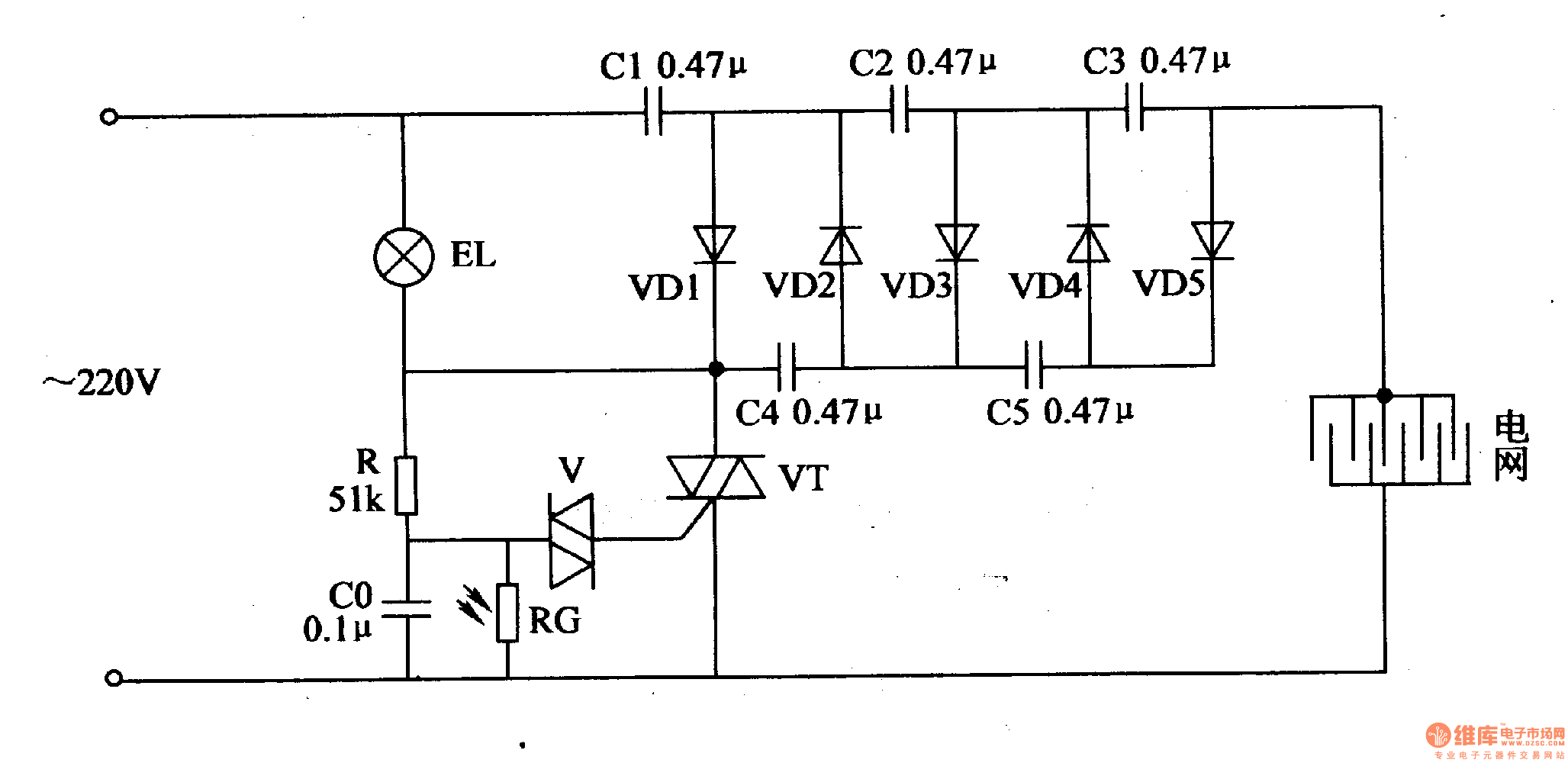
In the daytime, RG's resistance value is low, making CO circuit short. VT is disconnected because of lack of voltage, and the rectifying circuit doesn't work. When there is no light in the evening, RG has a large resistance value. R and CO begin to charge. When CO's voltage reaches a certain value, V and VT are connected. The rectifying circuit begins to work. The alternating current 220V voltage will generate 1450V high voltage, which will be put onto the electric net. When the pest touches the net, it will be killed by the high voltage.
Reprinted Url Of This Article:
http://www.seekic.com/circuit_diagram/Control_Circuit/Electronic_Pest_Killing_Lamp_2.html
Print this Page | Comments | Reading(3)
Code: