Published:2011/5/20 4:44:00 Author:Sue | Keyword: Electronic, Pest, Killing, Lamp | From:SeekIC

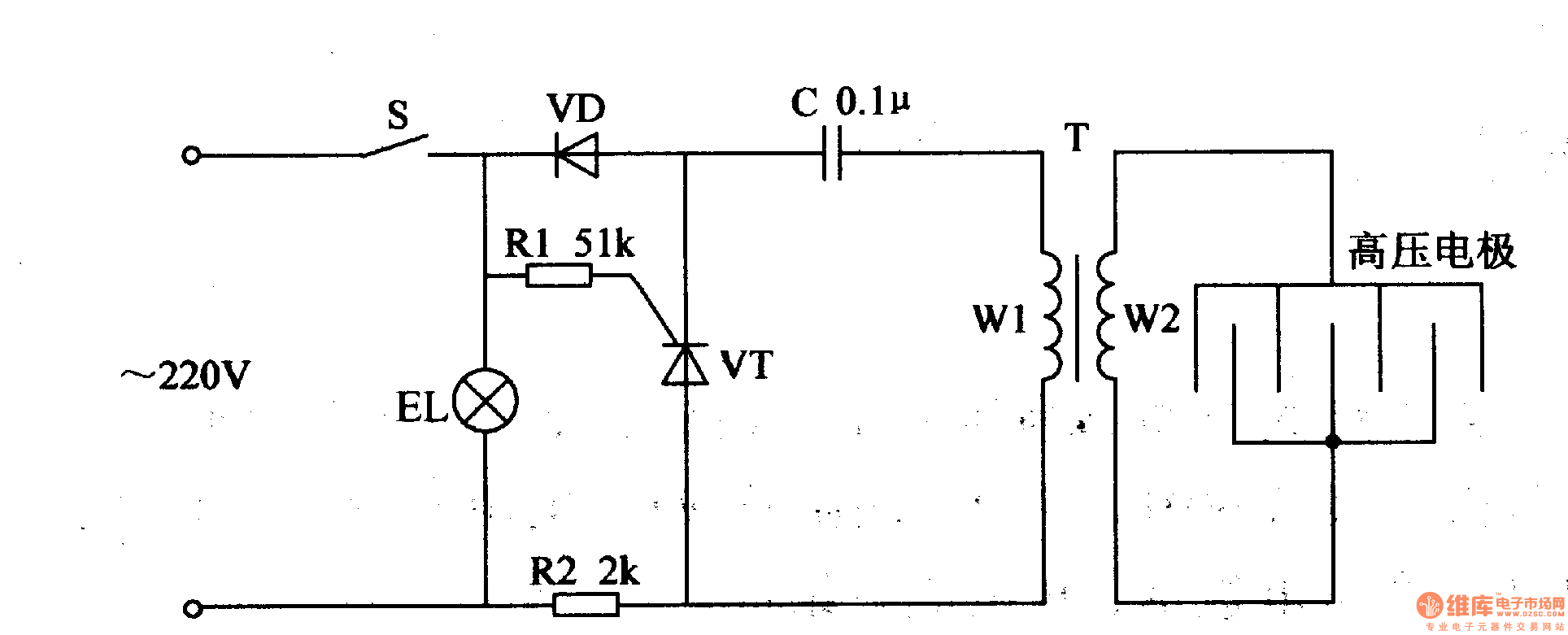
As seen in the figure 4-186, the circuit consists of power switch S, trap light EL, diode VD, thyristor VT, resistor R1 R2, capacitor C, pulse high voltage transformer T and high voltage electrode.
When S is connected, 220V voltage will illuminate EL. The other circuit will provide the pulse oscillator circuit with working voltage. VT will be connected intermittently. T will generate 10kV pulse high voltage which will kill the pest that touches the electric net.
Reprinted Url Of This Article:
http://www.seekic.com/circuit_diagram/Control_Circuit/Electronic_Pest_Killing_Lamp_7.html
Print this Page | Comments | Reading(3)
Code: