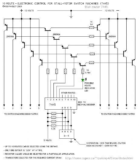
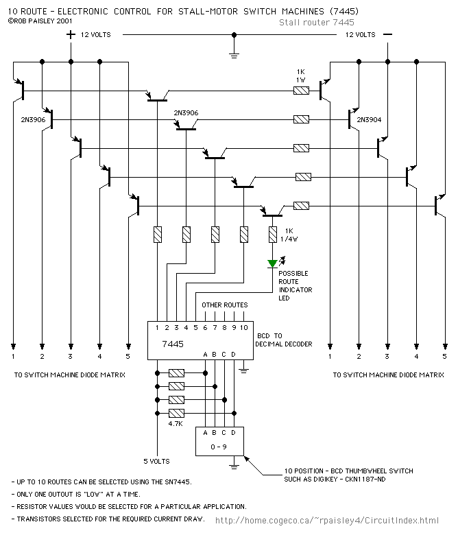
Published:2013/6/5 21:32:00 Author:muriel | Keyword: Electronic Route Control, 7445 Decoder | From:SeekIC

Reprinted Url Of This Article:
http://www.seekic.com/circuit_diagram/Control_Circuit/Electronic_Route_Control_Using_The_7445_Decoder.html
Print this Page | Comments | Reading(3)
Code: