© 2008-2012 SeekIC.com Corp.All Rights Reserved.
Published:2011/5/8 19:01:00 Author:Christina | Keyword: Electronic, code lock | From:SeekIC

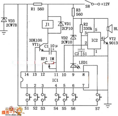
The electronic code lock circuit is as shown.
The ICl is the 5G058-specific lock integrated circuit 5G058, it's pin 1 to pin-6 connect the external key switches to the power positive supply, they are six valid input key, if you want to unlock it, you must comply with the order of Sl to S6; key switch S7 is the false key input port which is connected to pin-8, it is free to connect one or several keys into a keyboard; pin-9 is the key direction port, during each key connectivity, the LEDl will turn on to confirm that the key input is valid; pin-10 is the alarm output port, if you do not comply with the order of Sl to S6 or exceed the effective unlock time, pin-10 will output the high-level voltage to trigger the IC2 anti-burglar alarm language circuit SR8803A and make the speaker BL to issue the language warning. The effective unlock time is determined by the sizes of capacitor C1 and potentiometer RPl.
Figure . Electronic code lock circuit
Reprinted Url Of This Article:
http://www.seekic.com/circuit_diagram/Control_Circuit/Electronic_code_lock_circuit.html
Print this Page | Comments | Reading(3)
Response in 12 hours
© 2008-2012 SeekIC.com Corp.All Rights Reserved.
Code: