Published:2009/7/7 2:31:00 Author:May | From:SeekIC



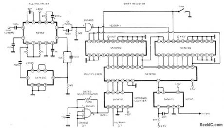
Circuit provides accurate phasing of 51-polpair phonic/synchronous motor in facsimile transmitter, and can readily be adapted for similar applications. A 16-stage shift register loaded with 1 bit and connected as ring counter is clocked at 16 times required drive motor frequency. This gives pulse train with 1:15 mark-space ratio and repetition rate equal to drive frequency. Multiplexer used as single-pole 16-way switch can select output for any stage of shift register; each clockwise switch step gives 360/16 or 22.5° phase advance. Article describes circuit operation in detail-P. E. Baylis and R. J. Brush, Synchronous-Motor Phase Control, Wireless World, April 1976, p 62.
Reprinted Url Of This Article:
http://www.seekic.com/circuit_diagram/Control_Circuit/FACSIMILE_PHASE_CONTROL.html
Print this Page | Comments | Reading(3)
Code: