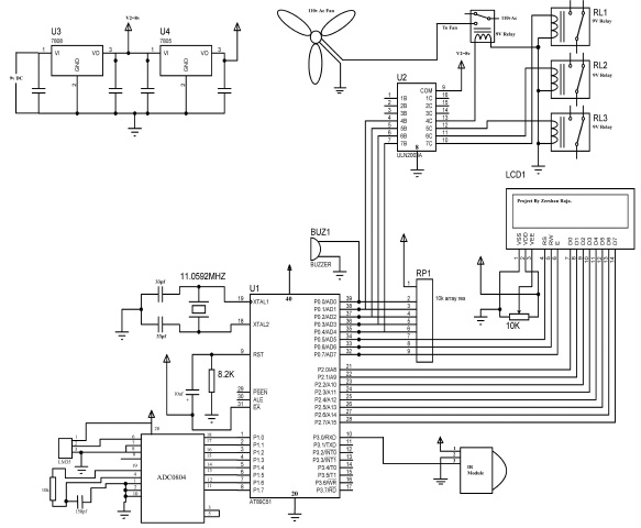
Published:2013/1/28 0:11:00 Author:muriel | Keyword: FAN Thermostat, IR , remote controller | From:SeekIC

Reprinted Url Of This Article:
http://www.seekic.com/circuit_diagram/Control_Circuit/FAN_Thermostat_controlled_by_IR_remote_controller.html
Print this Page | Comments | Reading(3)
Code: