Published:2009/6/30 2:55:00 Author:May | From:SeekIC

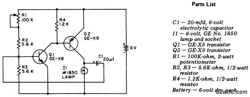
Circuit NotesThe circuit is a two-stage, direct-coupled transistor amplifier connected as a free-running multivibrator. Both the flash duration and flash interval can be changed by turning the potentiometer, R1.
Reprinted Url Of This Article:
http://www.seekic.com/circuit_diagram/Control_Circuit/FLASHER_LIGHT_CONTROL.html
Print this Page | Comments | Reading(3)
Code: