Published:2009/7/24 4:03:00 Author:Jessie | From:SeekIC

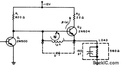
Bypassing of emitter-follower with inductor L cuts normal 70-nsec switching time to 38 nsec. Use of diode D across L improves rise time without affecting fall lime.-T. Asai, Forced-Switching Emitter Follower, EEE, 12:2, p 29.
Reprinted Url Of This Article:
http://www.seekic.com/circuit_diagram/Control_Circuit/FORCED_SWITCHING.html
Print this Page | Comments | Reading(3)
Code: