Published:2009/7/9 22:47:00 Author:May | From:SeekIC

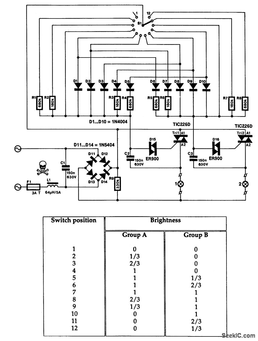
This very special mains-operated dimmer for domestic or industrial lights is not available in proprie-tary form: it enables brightness control of two groups of lights in one operation. The possible combinations of brightness are shown itt the table. It will be clear that it is not possible to obtain continuous brightness control in the two groups. Instead, the circuit affords the setting of four states of brightness in either group: full on, fully dimmed, 1/3 on, and 2/3 on.
Both sections of the circuit operate on the well-known principle of the triac being switched from the blocking state to the conducting state with the aid of an RC network and a diode. The RC network provides the necessary phase shift and determines when the triac is switched. The rotary switch selects the resis-tor in a given network, and thus the brightness of the relevant group of lights. No resistor means that the group is off; a short-circuit gives maximum brightness, and resistors of 10 k0 and 18 k0 produce interme-diate brightness. The diodes prevent the groups from affecting one another.
The 64-μH choke (L1) and the 150 nF capacitor across the bridge rectifier prevent the dimmer caus-ing interference in other equipment connected to the mains.
If the triacs are fitted on a heatsink that is rated at 12°K/W, up to 500 W per group can be controlled.It is, of course, essential that the enclosure in which the dimmer is fitted provides ample cooling. A fair number of slots or holes in it are, therefore, essential; these should not permit the circuit elements to be touched.
The switch should have a nonmetallic spindle: this is not only safer than a metallic one, but it also enables the easy removal of the end-notch so that the switch can be rotated continuously, instead of having to be returned to the first stop every time it is operated.
The mains on/off switch S2 should be fitted with a built-in ON indicator bulb, which shows at a glance whether the circuit is on, even though S1 might be in the OFF position. Finally, remember that this circuit carries mains voltage in many places: good workmanship and insulation are, therefore, of the utmost importance.
Reprinted Url Of This Article:
http://www.seekic.com/circuit_diagram/Control_Circuit/FOUR_QUADRANT_DIMMER.html
Print this Page | Comments | Reading(3)
Code: