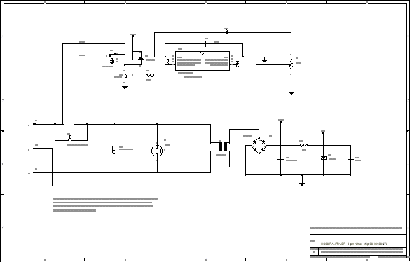
Published:2013/1/30 21:02:00 Author:muriel | Keyword: Fan Timer, 8-pin, MC68HC908QT2 | From:SeekIC

Reprinted Url Of This Article:
http://www.seekic.com/circuit_diagram/Control_Circuit/Fan_Timer_using_8_pin_MC68HC908QT2.html
Print this Page | Comments | Reading(3)
Code: