© 2008-2012 SeekIC.com Corp.All Rights Reserved.
Published:2011/4/26 19:15:00 Author:Christina | Keyword: Fan speed controller, Electronic speed controller | From:SeekIC

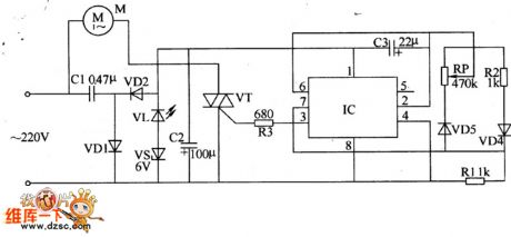
The Electronic fan speed control circuit is composed of the power supplier circuit, the controlled oscillator and the control-implement circuit, as the figure shown.
The power supplier circuit is composed of the capacitor Cl, the rectifier diode VDl, VD2, the filter capacitor C2, the power indicator LED VL and the zener VS.
The controlled oscillator is composed of the time-base integrated circuit IC, the resistor RI and R2, the capacitor C3, the potentiometer RP and the diode VD3, VD4.
The control-implement circuit is composed of the fan motor M, the thyristor VT, resistor R3 and the pin-3's in-circuit.
AC 220V voltage is reduced by the Cl, and rectified by the VD1 and VD2, then regulated by the VL and VS, at last this AC 220V voltage converted into 8V DC voltage.
Reprinted Url Of This Article:
http://www.seekic.com/circuit_diagram/Control_Circuit/Fan_speed_controller_Electronic_speed_controller_circuit.html
Print this Page | Comments | Reading(3)
Response in 12 hours
© 2008-2012 SeekIC.com Corp.All Rights Reserved.
Code: