Published:2011/4/26 8:44:00 Author:TaoXi | Keyword: Fan, sub-ultrasonic, remote control switch | From:SeekIC

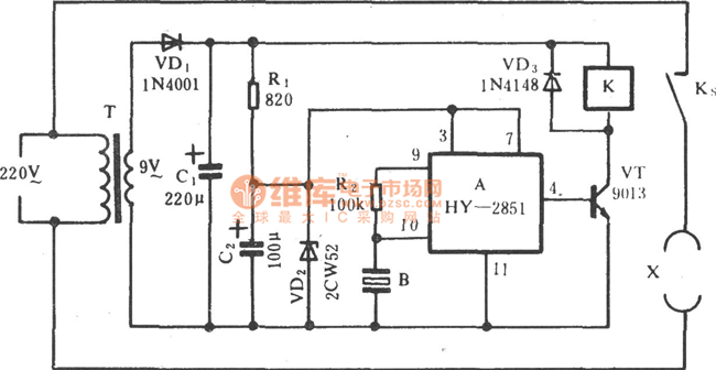
The fan sub-ultrasonic remote control switch circuit is as shown:
Reprinted Url Of This Article:
http://www.seekic.com/circuit_diagram/Control_Circuit/Fan_sub_ultrasonic_remote_control_switch_circuit_1.html
Print this Page | Comments | Reading(3)
Code: