Published:2011/8/9 21:51:00 Author:Ecco | Keyword: Fish farming , oxygen increasing controller | From:SeekIC

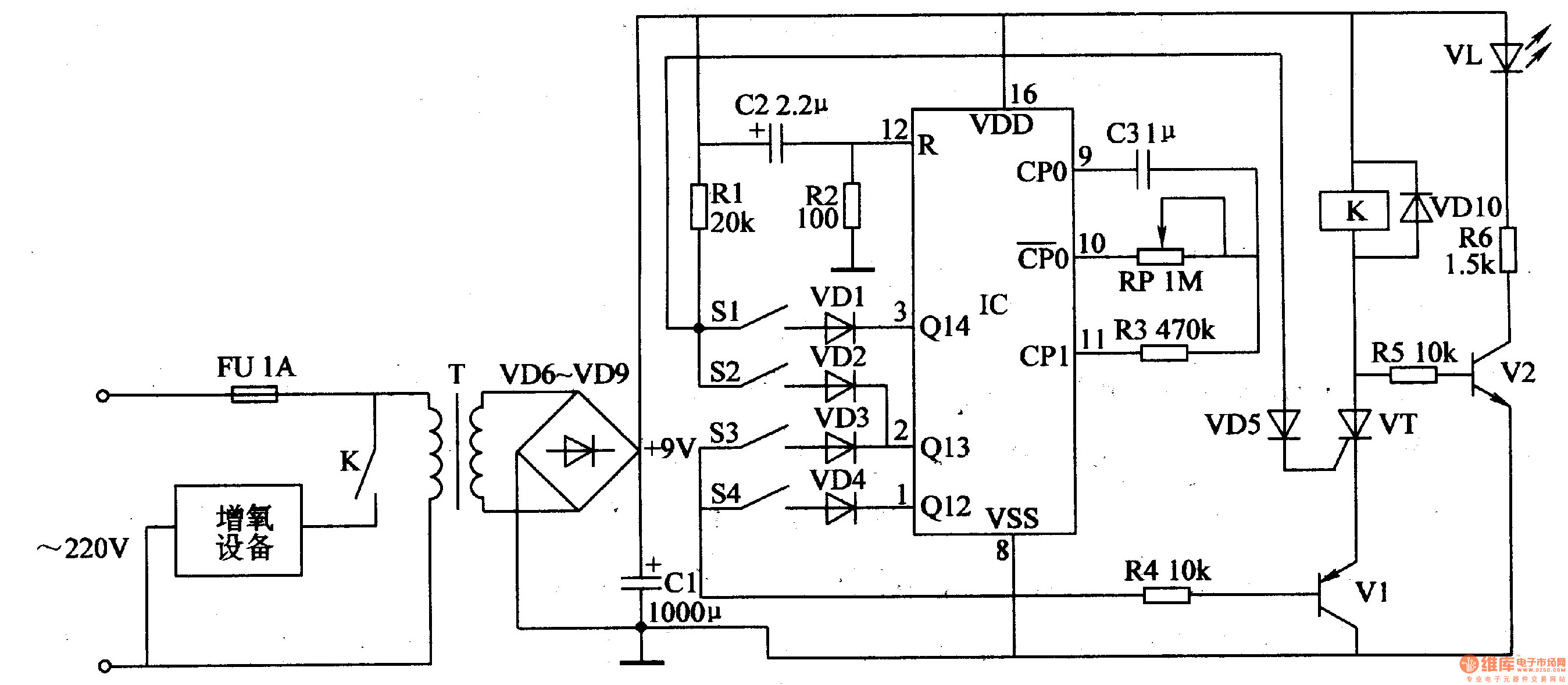
The fish farming oxygen increasing circuit is composed of the power supply circuit and time control circuit, and it is shown in Figure 4-18. Power supply circuit consists of the power transformer T, rectifier diodes VDl-VD4, three-terminal voltage regulator integrated circuit ICl, filter capacitors Cl, C2, current limiting resistor Rl, and power indicator light-emitting diode VL. Timing control circuit consists of resistors R2-R4, potentiometer RP, diodes VD5-VD7, control switch S, capacitors C3, C4, transistors V, time-base integrated circuit IC2 and relay K. Rl-R4 select the 1/4W metal film resistors or carbon film resistors. RP uses the organic solid potentiometer.
Reprinted Url Of This Article:
http://www.seekic.com/circuit_diagram/Control_Circuit/Fish_farming_oxygen_increasing_controller_1.html
Print this Page | Comments | Reading(3)
Code: