Published:2011/8/9 21:54:00 Author:Ecco | Keyword: Fish farming , oxygen increasing controller | From:SeekIC

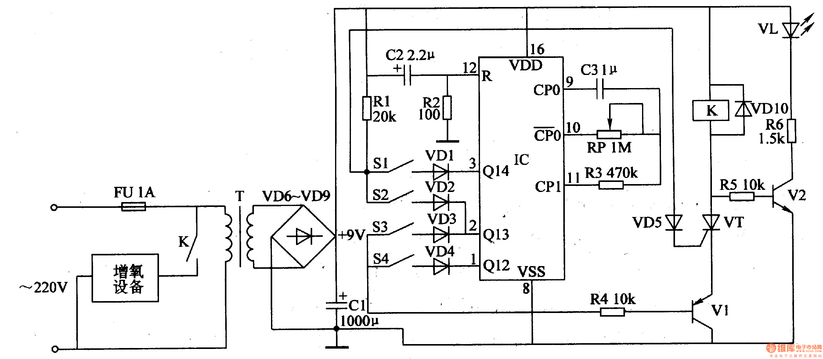
The fish farming oxygen increasing circuit is composed of the power supply circuit, timing control circuit and control implementation circuit and working status indication circuit, and it is shown in Figure 4-19. Power supply circuit consists of the fuse FU, power transformer T, rectifier diodes VD6-VDg and filter capacitor Cl. Timing controller circuit consists of the timer integrated circuit IC, resistors Rl-R3, potentiometer RP, capacitors C2, C3, diodes VDl-VD4 and control switches Sl-S4. Control implementation circuit consists of the resistor R4, transistor Vl, diodes VD5, VDlO, thyristor VT and the relay K.
Reprinted Url Of This Article:
http://www.seekic.com/circuit_diagram/Control_Circuit/Fish_farming_oxygen_increasing_controller_2.html
Print this Page | Comments | Reading(3)
Code: