Published:2011/8/9 22:04:00 Author:Ecco | Keyword: Fish farming, oxygen increasing controller | From:SeekIC

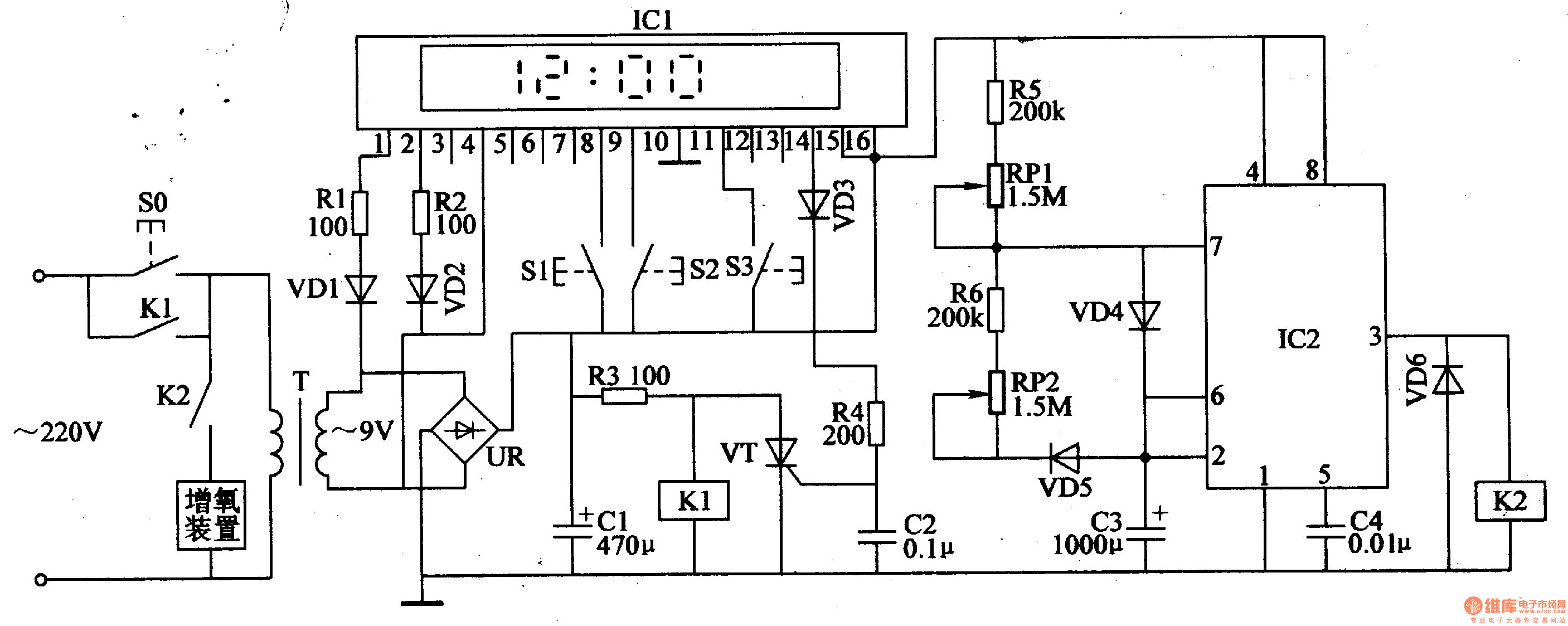
The fish farming oxygen increasing circuit is composed of the power supply circuit, clock-control timing circuit and intermittent control circuit, and it is shown in Figure 4-20. Power supply circuit consists of the power button S0, power transformer T, bridge rectifier UR and filter capacitor C1. Clock-control timing circuit is composed of clock-control board circuit ICl, resistors Rl-R4, diodes VDl-VD3, time set buttons S1-S3, SCR VT, relay Kl and capacitor C2. Intermittent control circuit is composed of the time-base integrated circuit IC2, resistors R5, R6, potentiometers RPl, RP2, capacitors C3, C4, diodes VD4-VD6 and relay K2.
Reprinted Url Of This Article:
http://www.seekic.com/circuit_diagram/Control_Circuit/Fish_farming_oxygen_increasing_controller_3.html
Print this Page | Comments | Reading(3)
Code: