Published:2011/8/10 3:44:00 Author:Ecco | Keyword: Fish hatching pool controller | From:SeekIC

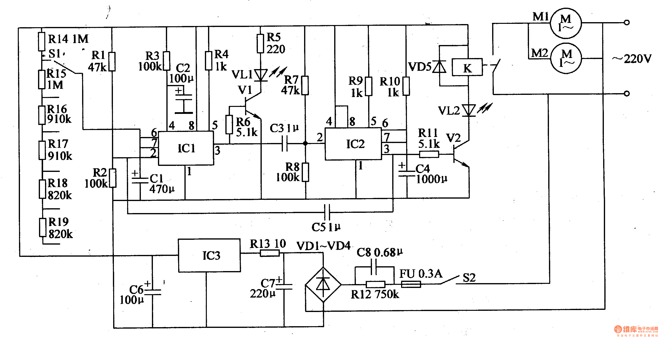
The fish hatching controller circuit is composed of the power supply circuit, time control circuit, working status indication circuit and control implementation of circuit, and it is shown in Figure 4-25. The power supply circuit consists of the step-down capacitor C8, resistors Rl2, R13, rectifier diodes VDl-VD4, three-terminal integrated voltage regulator IC3, and filter capacitors C6, C7 and so on. Time control circuit is composed of the quench time control circuit switch Sl, resistors R14-R19, Rl-R4, time-base integrated circuit IC1 and capacitors Cl, C2 and so on. Rl-Rll and R14-Rl9 select the 1/4W carbon film resistors.
Reprinted Url Of This Article:
http://www.seekic.com/circuit_diagram/Control_Circuit/Fish_hatching_pool_controller_2.html
Print this Page | Comments | Reading(3)
Code: