Published:2011/6/26 5:31:00 Author:Sue | Keyword: Fluorescent Lamp, Electronic, Ballast | From:SeekIC

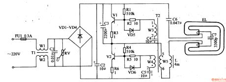
When the power is on, the 220v voltage will provide the oscillator with 300v working voltage after filtration and rectification.
The moment the power is on, one of V1 V2 is connected and V1 V2 will be connected intermittently. The oscillate circuit will be auto-excited. EL will be provided with voltage. When the voltage reaches the discharging voltage of EL, EL will be illuminated.
Reprinted Url Of This Article:
http://www.seekic.com/circuit_diagram/Control_Circuit/Fluorescent_Lamp_Electronic_Ballast_4.html
Print this Page | Comments | Reading(3)
Code: