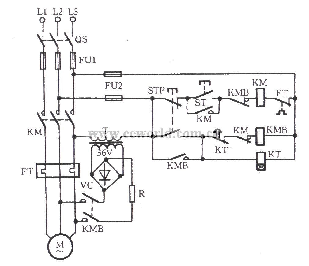
Published:2011/9/4 22:12:00 Author:TaoXi | Keyword: Four diodes, rectifier, energy consumption, braking circuit | From:SeekIC

Reprinted Url Of This Article:
http://www.seekic.com/circuit_diagram/Control_Circuit/Four_diodes_rectifier_energy_consumption_braking_circuit.html
Print this Page | Comments | Reading(3)
Code: