About SeekIC | Services | Payment | Advertisements service | Contact Us | Links
© 2008-2012 SeekIC.com Corp.All Rights Reserved.
Published:2011/4/11 2:22:00 Author:may | Keyword: Frequency selection, voice control | From:SeekIC

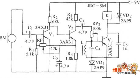
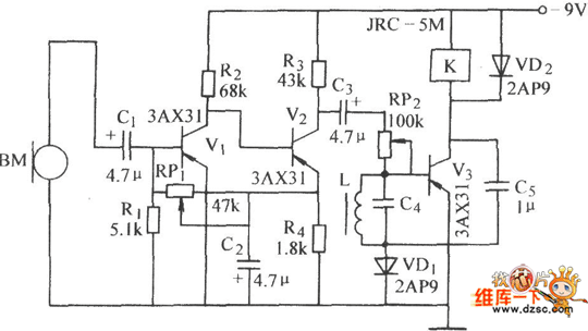
Frequency selection voice control circuit is shown in the diagram:
Reprinted Url Of This Article:
http://www.seekic.com/circuit_diagram/Control_Circuit/Frequency_selection_voice_control_circuit.html
Print this Page | Comments | Reading(3)
Response in 12 hours
© 2008-2012 SeekIC.com Corp.All Rights Reserved.
Code: