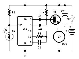
Published:2012/12/24 21:25:00 Author:muriel | Keyword: Fridge door Alarm | From:SeekIC

Reprinted Url Of This Article:
http://www.seekic.com/circuit_diagram/Control_Circuit/Fridge_door_Alarm.html
Print this Page | Comments | Reading(3)
Code: