Published:2009/6/16 21:56:00 Author:May | From:SeekIC

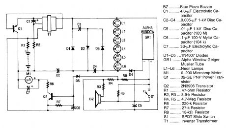
BZ..........Blue Piezo Buzzerc1......... 4.6-ptF Electrolytic CapacitorC2-04....0.005-μF 1-kV Disc CapacitorC5..........01-μF 1-kV Dtsc Capacitor (103 M)CG..........1-μF 100-V Mylar Capacitor (104 k)07......... 33-p.F Electrolytic CapacitorD1-D5....1N4007 DiodesGR1....... Alpha Window Geiger MuellerTubeL1-L6......Neon LampsM1......... 0-200 Microamp Meter Q1......... 02-GE PNP Power TransistorQ2......... 2N39O6 TransistorR1......... .7-ohm ReststorR2, R3,.. .3.9-k ResistorR4, R5.... 4.7-Meg ResistorR6......... 220-k ResistorR7......... .27-k ResistorR8.....,....18-kf) Resistor51.......... SPDT Slide SwitchT1......... InverterTransformer
Q1 is a pnp power transistor used in conjunction with a ferrite transformer to form a blocking-type oscillator. This oscillator is a fixed-frequency type, and the feedback to sustain oscillations is from capacitor C1. Because of the turns ratio of T1, the small ac voltage produced on its primary is converted to a large ac voltage on its secondary. That high-voltage ac is applied to the voltage trip-per stage, which consists of capacitors C2, C3, and C4 and diodes D1, D2, and D3. The resultant volt-age is now over 800 V and it is regulated by neon lamps L1 through L6. Diode D4 rectifies the high voltage and applies it to the cathode lead of the GM tube. The positive (+) bias on the GM tube is ap-plied to the anode by way of load resistors R4 and R5. Each time a radioactive particle strikes the GM tube, it causes the gas inside to ionize. This ionization of the gas creates a pulse, which drives the piezo speaker and is also coupled by diode D5 to the base of Q2. Transistor Q2 is a pnp type and is used to integrate the pulses in conjunction with capacitor C6. That produces a dc voltage level, which is in proportion to the quantity of pulses arriving at the base of Q2. The collector of Q2 is con-nected through resistor R8 to the (+) terminal of the meter. The other side of the meter goes directly to (-) of the battery.
Reprinted Url Of This Article:
http://www.seekic.com/circuit_diagram/Control_Circuit/GEIGER_COUNTER_Ⅱ.html
Print this Page | Comments | Reading(3)
Code: